Overview
The CBZ Series Explosion-proof Axial Flow Ventilators for Ships and Vessels (hereinafter referred to as "explosion-proof ventilators") are designed and manufactured in accordance with the relevant provisions of GB 11800-2008 Explosion-proof Axial Flow Ventilators for Ships and Vessels, GB 3836.1-2000 Explosive Atmospheres - Explosion-proof Electrical Equipment for Explosive Atmospheres - Part 1: General Requirements, GB 3836.2-2000 Explosive Atmospheres - Explosion-proof Electrical Equipment for Explosive Atmospheres - Flameproof Enclosures "d", as well as the current relevant provisions of Rules for the Classification and Construction of Steel Sea-going Ships issued by the China Classification Society.
This series of explosion-proof ventilators have passed the inspection of the National Supervision and Inspection Center for Explosion-proof Electrical Products of the People's Republic of China and obtained explosion-proof certificates. Meanwhile, they have also passed the inspection of the China Classification Society and obtained product ship inspection certificates.
Features
They are suitable for extracting flammable and explosive mixed gases or vapors in such places on ships as oil tanks, cargo holds, pump rooms, battery compartments, ammunition cabins, aircraft hangars, paint rooms, etc. They are also applicable for ventilation in other cabins of ships or corresponding places in various onshore departments.
They feature explosion-proof performance, safe and reliable operation, good corrosion resistance, resistance to swaying, low vibration and strong impact resistance.
Structural Forms
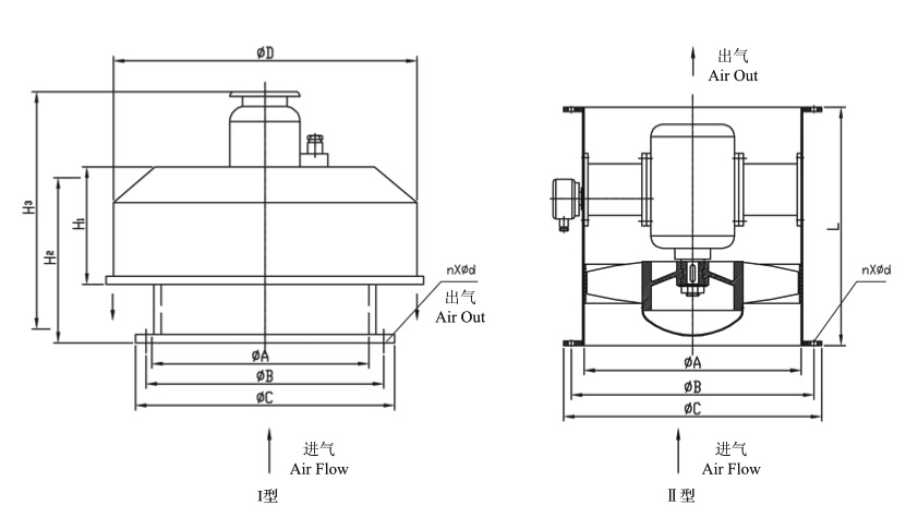
The explosion-proof ventilators have three structures, namely Type I (deck type), Type II (duct type) and Type III (compartment type). The whole machine structure is sparkless.
Type I explosion-proof fan is installed on the upper part of the frame, with a 2-mesh/inch stainless steel mesh around the frame. The whole machine is vertically installed on the deck and can be used for both air extraction and supply.
Type II explosion-proof ventilator has no wind cap. The explosion-proof motor is built-in, with stationary blade supports fixed on the casing. It can be installed vertically or horizontally, or on the deck, and can be used for both air extraction and supply.
According to the special needs of users, Type III structure can be made, that is, the fan and motor are separated by a compartment, with a transmission device, a sealed stuffing box and a flexible coupling in between. It is mainly used for exhausting gas from dangerous cabins.
The explosion-proof ventilator is constructed such that when viewed from the end of the explosion-proof fan, the impeller rotates clockwise.
Model Description

Main Performance and Overall Installation Dimensions

